PHI Hurricane
|   | 
 Specification: 
  | 
||||||||||||||||||
| Documents: | |||||||||||||||||||
|     | 
|||||||||||||||||||
PHI Hurricane (199#)
Update for Oct 2002 saw the basic Hurricane fitted with a rotor head button for easier hand slowing down with list price of $600.  
The basic version of the Hurricane was discontinued in 1993.
Specifications
- Carbon boom braces with CNC machined aluminium boom brace ends
 - Super tough nylon landing gear struts with aluminium skids
 - 52 high quality bearings total
 - Aircraft grade aluminium and 12L14 steel +/- 0.001in. tolerance on all machine work
 - Main blades, engine/muffler and radio equipment not included in kit
 - Finishing caps and header tank shown in pictures not included
 - Self aligning steel centrifugal clutch/CNC machined aluminium clutch bell with heavy duty clutch liner
 - Dual ball bearing supported clutch bell and start shaft
 - CNC custom machined fan hub
 - CNC machined aluminium rotor head - floating axle design
 - Triple bearing blade grips with oversize thrust bearings
 - CNC machined aluminium see saw and mixing arms
 - Long 4mm Flybar with lightweight paddles
 - CNC machined aluminium washout and mixing arms
 - CNC machined aluminium swash plate
 - Anti-rotation unit and start cone come standard
 - G10 stacked main frame set with CNC machined aluminium spacers
 - CNC machined aluminium main shaft bearing blocks including main shaft thrust bearing
 - Forward fuel tank/rear-facing engine cylinder for easy glow plug access
 - CNC machined Delrin main gear with lightening holes (93 tooth standard, 86 tooth optional)
 - Aluminium horizontal and vertical servo trays, gyro tray, and radio equipment floor
 - Optional front mount location for tail rotor servo (scale fuselage application)
 - All machined aluminium bellcranks fully ball raced
 - Triple bearing CNC machined aluminium autorotation hub
 - Rear G10 tail rotor servo mount/direct no-slop linkage
 - Kevlar-reinforced belt drive tail rotor
 - Steel tail rotor front transmission gear with dual ball bearing supported shaft
 - CNC machined aluminium tail rotor gear box and pulley
 - Dual bearing tail rotor washout assembly
 - CNC machined steel tail rotor hub
 - Triple bearing tail blade grips with thrust bearing
 
The YS range of engines could also be fitted which required a separate adaptor and some modification to the fan as the engine sat higher than other makes.
Hurricane 3D Pro replacement parts list - Hardware list
PHI Hurricane 3D Pro build and flying article by James Wang from January 2001 MHW.
Parts and construction drawings.  
| Chapter 1 | Engine Fan and Clutch Assembly | |
| Chapter 2 | Rotor Head and See Saw Assembly | |
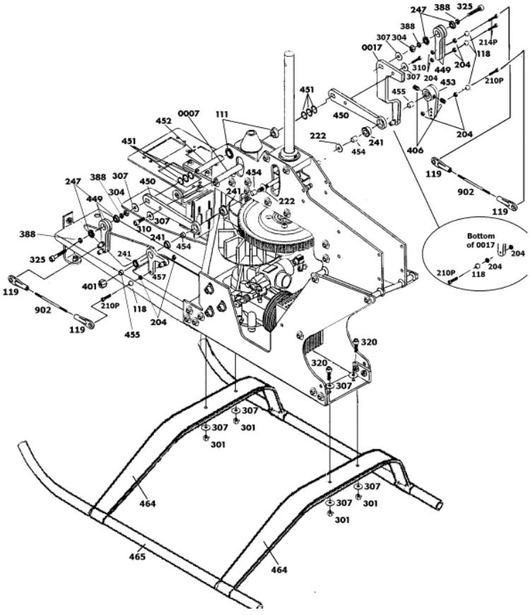
| Chapter 3 | Main Frame Assembly - View A | |
| Chapter 3 | Main Frame Assembly - View B | |
| Chapter 4 | Control System Assembly | |
| Chapter 5 | Fan Shroud, Swashplate, and Washout Assembly/Rotor Head Installation | |
| Chapter 6 | Tail Rotor Assembly | |
| Chapter 7 | Tail Boom Assembly - View A | |
| Chapter 7 | Tail Boom Assembly - View B | |
| Chapter 8 | Radio Installation/Canopy Assembly | 
